BIM integrated header
Integrated fine fog BIM spray header combining air and water pipes into one regtangular header.
Pneumatic spray nozzle header
This integrated spray header is equipped with our BIMV-series nozzles. BIMV has a fine atomization with a mean droplet diameter of 100 µm or less.
- The header integrates air and water pipes in one rectangular
header. - It is compact and easy to install and maintain.
- Provides a uniform spray distribution across the entire
spray area.
Highlights
- Compact
- Fine atomization
- Little maintenance
- Uniform spray distribution
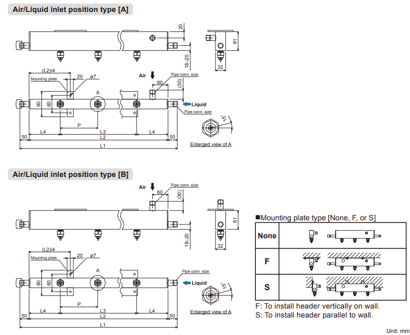
How is the BIM header installed?
As can be seen below, the BIM header is available in two different types of air/liquid inlet positions, A and B. Furthermore, it can be installed either vertically or horizontally to the wall, depending on the application and needs.
Applications of BIM integrated header
The pneumatic spray header can be used for several applications including spraying applications, cooling and cleaning:
Spraying: Oil, surface treatment agent
Cooling: Castings, steel plates, glass plates, plastic
film
Cleaning: Printed circuit boards
Applications
The BIM integrated header can be used for a number of applications:
- Cooling
- Oil and surface coating
- Dust suppression
- PCB cleaning
- Moisture control
Industries in which Ikeuchi's spray nozzles are used:
From automotive to textile, Ikeuchi’s precision technology powers diverse industries worldwide. Our high-quality spray nozzles and humidification systems are designed to optimize processes, improve productivity, and reduce waste. With custom solutions for every sector, we help businesses achieve greater efficiency and sustainability.
Case studies
Conveyor belt sorting system with air nozzles
Tank cleaning for miso paste production process
Customer stories: real experiences, genuine satisfaction
“High quality nozzles. Friendly and helpful customer service”
“With Ikeuchi spray nozzles we are able to save costs as we don’t need to replace them so often as before.”
“When it is about nozzle technology, IKEUCHI are the experts. We always highly appreciated their knowhow and their extremely wide range of nozzles, not to mention their unrivalled AKIMist humidifier”
Experience the impact of Ikeuchi’s precision spray technology and innovative solutions through the voices of industries worldwide. See how we help businesses excel with custom-made solutions and unparalleled reliability.





Stay updated: Ikeuchi news & insights
"*" indicates required fields
Get expert advice:
contact us today
Would you like to know what Ikeuchi can do for your organization? We’re happy to discuss your needs and show how we can solve your challenges. You’ll receive a response from us within 24 hours!
"*" indicates required fields
Call us: +31 (0) 20 820 2175
- Global presence and experience
- The number 1 nozzle manufacturer in Japan
- Japanese Precision Technology
“High quality nozzles. Friendly and helpful customer service”
“With Ikeuchi spray nozzles we are able to save costs as we don’t need to replace them so often as before.”
“When it is about nozzle technology, IKEUCHI are the experts. We always highly appreciated their knowhow and their extremely wide range of nozzles, not to mention their unrivalled AKIMist humidifier”
“When it is about nozzle technology, IKEUCHI are the experts. ”
